-
當前位置:
首頁
- >
資訊中心
- >
行業資訊
- >
國產IGBT單管FHA60T65A可替換FGH60N60SMD單管型號參數!
國產IGBT單管FHA60T65A可替換FGH60N60SMD單管型號參數!
瀏覽量:3619
類型:行業資訊
日期:2023-04-03 09:37:14
分享:
飛虹半導體發布的FHA60T65A型號參數的IGBT單管是非常適合應用于高頻車載正玄波AC220V逆變器、光伏逆變器、戶外儲能電源、UPS、電焊機等各類軟硬開關和PFC電路,可適用開關頻率1~60KHz等電路場景。
因其具備高可靠性、擁有反向并行的快恢復二極管、Trench Field Stop technology(拖尾電流非常短、出色的Vcesat飽和壓降、關斷損耗低)、擁有正溫度系數的特點。所以FHA60T65A型號參數的IGBT單管是可以替代FGH60N60SMD單管型號參數應用的。
目前FHA60T65A型號所具備的650V電壓、60A電流也是讓其更符合工業用。最重要的是
飛虹半導體生產制造的IGBT單管產品都是經過一系列可靠性研究才最終反饋到市場進行應用的。
目前飛虹半導體的FHA60T65A型號IGBT產品參數特點為:
1、FHA60T65A擁有高可靠性以及反向并行的快恢復二極管特性,Trench Field Stop technology(拖尾電流非常短、出色的Vcesat飽和壓降、關斷損耗低)、擁有正溫度系數。
2、FHA60T65A的封裝形式是TO-247,其具有60A, 650V, VCEsat典型值:1.75V,<2.0V;IC (Tc=100℃):60A;Bvces:650V;IF (Tc=25℃):60A;IF (Tc=100℃):30A。
3、FHA60T65A是一款N溝道溝槽柵截止型IGBT,使用Trench Field stop Ⅱ technology 和通過優化工藝,來獲得極低的 VCEsat 飽和壓降,國產IGBT產品應用領域并在導通損耗和關斷損耗(Eoff)之間能做出來良好的權衡。
4、出色的導通壓降與極短的拖尾電流為客戶在優化系統效率時提供有力的幫助,廣泛適用于高頻車載正玄波AC220V逆變器、光伏逆變器、戶外儲能電源、UPS、電焊機等各類軟硬開關和PFC電路,可適用開關頻率1~60KHz。
以下為飛虹半導體FHA60T65A型號IGBT單管產品可應用具體領域為:
1、高頻車載AC220V輸出的正弦波逆變器
具體使用方案:2KW-3KW機型:使用4只FHA60T65A在逆變器的全橋拓撲結構上。
2、光伏逆變器,國產IGBT單管,FHA60T65A,替換FGH60N60SMD也叫太陽能逆變器
具體使用方案:微型逆變器:3KW機型使用4只FHA60T65A在全橋拓撲結構上。
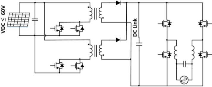
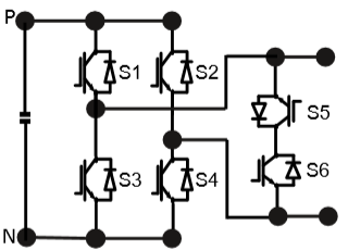
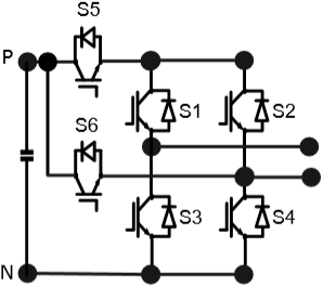
3、單相組串式光伏逆變器:前級升壓(Single Boost)
4、單相組串式光伏逆變器:后極逆變(Two-level)
5、單相組串式光伏逆變器:后極逆變(Heric)
6、單相組串式光伏逆變器:后極逆變(H6)
7、電焊機
具體使用方案:4個IGBT為一個全橋,根據功率需求有的方案會進行并聯加大功率適應,數量以2的倍數起。
8、戶外儲能電源(逆變模塊)
具體使用方案:原理與車載正玄波逆變器相同,2KW-3KW機型,針對溫升要求,國產IGBT單管,FHA60T65A,替換FGH60N60SMD部分3KW機型會使用75T65。
9、UPS(逆變模塊)
具體使用方案:4個IGBT為一個全橋,根據功率需求有的方案會進行并聯加大功率適應,數量以2的倍數起
飛虹半導體的FHA60T65A型號場效應管是國產優質的IGBT單管產品,其應用領域涉及高頻車載正玄波AC220V逆變器、光伏逆變器、戶外儲能電源、UPS、電焊機等!飛虹半導體20年來專注為國內的電子產品廠家提供了優質的產品以及配套服務。除提供免費試樣外,更可根據客戶需求進行量身定制IGBT單管產品。直接百度輸入“飛虹電子”即可找到我們,免費試樣熱線:400-831-6077。
熱門標簽:國產IGBT單管FHA60T65A替換FGH60N60SMD