鋰電池保護板一般按照電芯的串數來定義保護板需要的電壓,一般單節3.5V ,預留充滿電電壓會高到4.2V。而目前市場上面的60V鋰電池保護板一般會應用TK80E08K型號場效應管,但如果是針對13-14串鋰電保護板上,我們更加推薦飛虹的FHP80N08型號 。
具體原因有兩點:
一、基于現在國際的貿易形勢,尤其是電子半導體行業,整體形勢是需要強化國內的供應鏈能力。當然,其實針對某些領域其實國內的供應鏈都已經達到國際領先水平了,因此我們會推薦的MOS管產品,如FHP80N08型號是完全能夠匹配TK80E08K這一款國際型號的。
二、基于品質來講,飛虹聚焦在半導體器件行業已經有33年的經驗,而工廠生產研發累積的經驗也已經有18年了。目前推薦的FHP80N08場效應管應用于60V鋰電池保護板是基于實際的客戶應用以及產品測試給出的具備實操性的建議。
我們可以來詳細看看這一款能夠對標替用TK80E08K場效應管的詳細參數,60v低壓moa管批發即可知道為什么使用的原因了!
飛虹這款FHP80N08為低壓大電流功率場效應管,廣泛應用于電動車控制器和同步整流電路,在使用方面是不僅能匹配型號為STP75NF75的國外場效應管,還能代用型號為:HY1808、IRFB3607、TK80E08K、TK80E08K這四款型號的場效應管。80A ,80V, R DS (on) = 8mΩ(typ)@V GS =10V,開關速度快,內阻低,60v低壓moa管批發耐沖擊特性好。
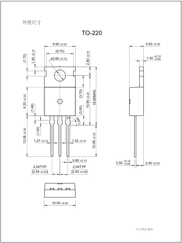
FHP80N08場效應管適用于60V/9管-12管電動車控制器/鋰電池保護板。FHP80N08的主要封裝形式是TO-220/TO-263,腳位排列位GDS。這款產品參數:Vgs(±V):25;VTH(V):2-4;ID(A):80;BVdss(V):80。
因此更加推薦FHP80N08來替代國際型號:TK80E08K。飛虹致力于半導體器件、集成電路、功率器件的研發、生產及銷售,至今已經有33年半導體行業經驗以及18年研發、制造經驗。目前飛虹產品已經在開關電源、逆變器、電動車、LED照明、家電、鋰電保護、電機控制器獲得廣泛應用,幫助合作伙伴解決符合國情、符合國際質量的國內優質產品。除提供免費試樣外,更可根據客戶需求進行量身定制MOS管產品。
直接百度輸入“飛虹MOS管廠家”即可找到我們,免費試樣熱線:400-831-6077。
熱門標簽:60v低壓moa管批發
返回頂部
400-831-6077
在線留言